产品概述
GR900D智能漏电火灾报警装置是专门用于防止电气或线路对地漏电造成火灾的智能式全自动防火保护装置。装置采用了先进的微电脑控制,能实时、准确、在线监控供电线路运行情况,GR900D可与感温探头、可燃气体探测器、感烟探头以及其它感应器产生联动控制,配置有温度传感器接口,实现高温报警功能;自带RS485通讯接口,信息上传到监控主机。GR900D还能高精度测量各种电力参数。另外本保护装置还配备了防雷功能,适用于TT、IT、TN-S、TN-C-S多种配电系统。
性能特点
集保护功能和测量功能于一体,额定电流400A以下,测量互感器和漏电电流互感器集成安装在装置内。额定电流100A以下,可选择将短路器安装在装置内。
具有漏电保护、高温保护,更可选择短路保护、定时限过负荷保护、反时限过负荷保护、过压保护、欠压保护、缺相保护等功能,保证用电安全,杜绝电气安全隐患。
可与感温探头、感烟探头、可燃气体探测器等感应器连接,实现联动报警动作功能。
具有消防联动功能。
具有声光报警动作、设备自检功能,内置蜂鸣器,本地可消音,解除报警。
实现高精度电量测量。
提供温度传感器接口。
具有语音拨号报警功能,支持报警语音信息的录音功能。
采用RS485通讯接口和标准MODBUS规约,可将各种信息等上传到后台监控主机,构成消防监控中心,实现远方集中管理和监控。
采用PVC面板,外观美观,体积小,重量轻,操作灵敏方便,采用壁挂式安装,安装方便。
具有SOE事件记录功能,便于故障分析事件原因。
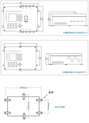
外形尺寸和安装示意图
